{{ variable.name }}


没有库存时产品一般预计4-6周左右,请提前订货!
下单前再次确认实际货期。
有需要请随时与我们联系,谢谢支持和信任!!!
宝贝详情咨询 189 2140 7358 工厂货源 量大从优
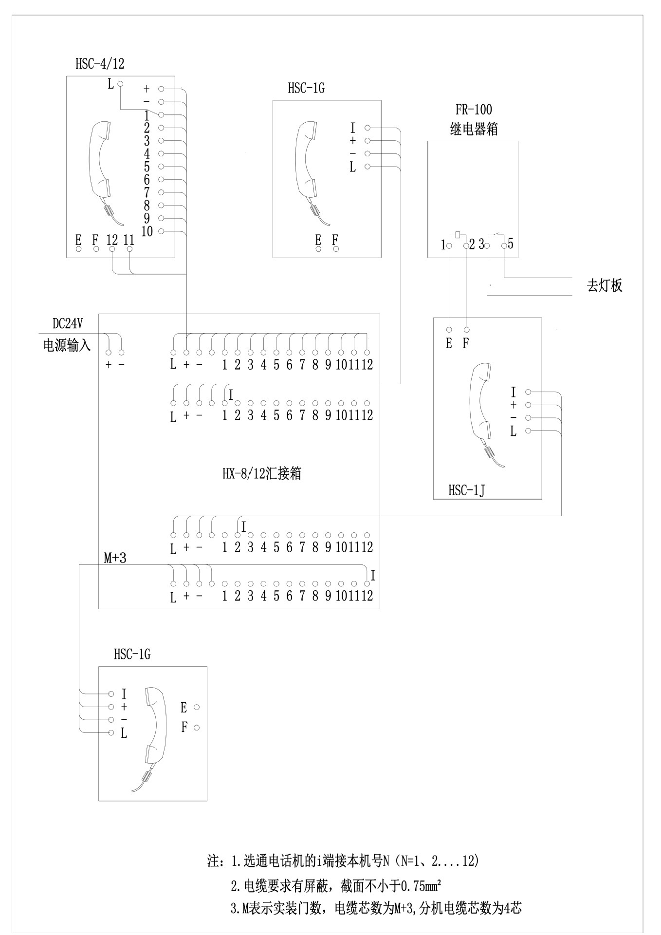
HSC系列船用増音声力电话系统是按照CCS有关规范设计制造.为各类大、中、小型船舶提供内部通讯及应急联络,
是声力和供电两用产品。本设备具有通话音量大,使用方便的特点。
主要功能:
1.増音通话
HSC系列声力电话机在有DC24V时,能进行增音通话,增音音量不小于20dB,掉电时电话机自动转为声力通话。
2.按键呼叫
HSC系列电话机上装有一只呼叫键,在DC24V正常供电时,按此键对方电话机即响铃,不需要摇发电机呼叫。
在电压为18 -36V范围内能正常工作,掉电时用手摇发电机。
3.抗噪声功能
机舱电话机可加抗噪声头戴送受话器,可在110dB的噪声下通话。
4.闪光分铃器
闪光分铃器用于机舱等高噪声舱室,所有声力电话机均有接闪光分铃器端子。
环境温度:-10℃? +55℃
环境噪音:≤ 85dB ;加抗噪声头戴送受话时 ≤ 110dB
收讯铃响度:≥ 85dB
増音放大器电压増益:20±3dB
增音用电源电压:DC24V (18V--36V) 0.3A
有防振动、倾摇能力及防潮、防霉和防盐雾的措施。




+6285289694926